欢迎来到无锡市卡博特自动化设备有限公司的官方网站!
24小时服务热线:0510-85539005
JB2162-77系列液压缸
1、本标准油缸适用于额定压力,P≤16MPa,周围介质温度为-20- +80℃的冶金设备重型机械,亦可用于其它行业之中。
◆ 基本参数
|
缸径
D mm |
活塞行程
|
活塞杆直径
dmm |
活塞面积
Acm2 |
活塞杆面积
Alcm2 |
活塞杆端有效面积
A2cm2 |
额定压力
MPa
|
||||||
|
s
|
mm
|
6.3
|
10
|
16
|
||||||||
|
小
|
|
推力
|
拉力
|
推力
|
拉力
|
推力
|
拉力
|
|||||
|
50
|
50
|
500
|
28
|
19.64
|
6.16
|
13.48
|
1240
|
850
|
1960
|
1350
|
3140
|
2160
|
|
63
|
60
|
630
|
35
|
31.17
|
9.62
|
21.55
|
1960
|
1357
|
3117
|
2155
|
4990
|
3450
|
|
80
|
80
|
800
|
45
|
50.27
|
15.8
|
34.37
|
3160
|
2170
|
5030
|
3440
|
8000
|
5500
|
|
100
|
100
|
1000
|
55
|
78.54
|
23.79
|
54.78
|
4950
|
3450
|
7850
|
5480
|
12570
|
8760
|
|
125
|
125
|
1250
|
70
|
122.7
|
38.48
|
84.22
|
7725
|
5320
|
12270
|
8420
|
19630
|
13500
|
|
160
|
160
|
1600
|
90
|
201.06
|
63.62
|
137.44
|
12670
|
8660
|
12670
|
13740
|
32170
|
22000
|
|
200
|
200
|
2000
|
110
|
314.2
|
95.03
|
219.17
|
19790
|
13800
|
19790
|
21920
|
50270
|
35000
|
|
250
|
250
|
2500
|
140
|
490.87
|
153.94
|
336.93
|
30925
|
30925
|
30925
|
33693
|
78540
|
53910
|
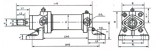
◆ 型号意义

◆ 外形和安装尺寸
G1型安装尺寸图

G2型安装尺寸图
◆ 基本参数
|
D
|
d
|
D1
|
D2
|
D3
|
d1
|
L
|
L1
|
L2
|
L3
|
L4
|
L5
|
B
|
B1
|
B2
|
h
|
h1
|
h≈
|
|
50
|
28
|
63.5*
|
M18*1.5
|
18
|
M22*1.5
|
245
|
55
|
30
|
110
|
220
|
75
|
90
|
90
|
130
|
75
|
17
|
99
|
|
63
|
35
|
76
|
M22*1.5
|
22
|
M27*2
|
290
|
65
|
40
|
131
|
261
|
85
|
115
|
105
|
145
|
90
|
20
|
79
|
|
80
|
45
|
102
|
M27*2
|
26
|
M33*2
|
340
|
80
|
50
|
160
|
310
|
100
|
140
|
120
|
170
|
105
|
22
|
92
|
|
100
|
55
|
121
|
M27*2
|
32
|
M42*2
|
390
|
95
|
60
|
180
|
360
|
120
|
165
|
200
|
260
|
125
|
28
|
105
|
|
125
|
70
|
152
|
M33*2
|
40
|
M52*2
|
460
|
105
|
70
|
203
|
413
|
140
|
210
|
210
|
280
|
150
|
30
|
127
|
|
160
|
90
|
199
|
M33*2
|
45
|
M68*2
|
560
|
140
|
100
|
254
|
490
|
198
|
260
|
320
|
420
|
200
|
40
|
152
|
|
200
|
110
|
245
|
M42*2
|
50
|
M85*3
|
675
|
165
|
110
|
285
|
545
|
190
|
310
|
400
|
520
|
235
|
50
|
177
|
|
250
|
140
|
299
|
M48*2
|
60
|
M100*3
|
790
|
200
|
130
|
345
|
705
|
705
|
360
|
400
|
520
|
250
|
52
|
202
|
◆ 尾部悬挂式(S型)

S1型安装尺寸图
S2型安装尺寸图
◆ 基本参数
|
D
|
d
|
D1
|
D2
|
D3
(D4) |
d1
|
L
|
L1
|
L2
|
L3
|
B
|
B1
|
b
|
R
|
h≈
|
|
50
|
28
|
63.5*
|
M18*1.5
|
30
|
M22*1.5
|
245
|
55
|
30
|
35
|
90
|
65
|
35
|
30
|
66
|
|
63
|
35
|
76
|
M22*1.5
|
30
|
M27*2
|
290
|
65
|
40
|
40
|
115
|
85
|
45
|
35
|
79
|
|
80
|
45
|
102
|
M27*2
|
40
|
M33*2
|
340
|
80
|
50
|
45
|
140
|
100
|
45
|
40
|
92
|
|
100
|
55
|
121
|
M27*2
|
50
|
M42*2
|
390
|
95
|
60
|
60
|
165
|
120
|
65
|
50
|
105
|
|
125
|
70
|
152
|
M33*2
|
50
|
M52*2
|
460
|
105
|
70
|
60
|
210
|
150
|
70
|
50
|
127
|
|
160
|
90
|
199
|
M33*2
|
60
|
M68*2
|
560
|
140
|
100
|
70
|
260
|
190
|
70
|
60
|
152
|
|
200
|
110
|
245
|
M42*2
|
80
|
M85*3
|
675
|
165
|
110
|
90
|
310
|
230
|
90
|
80
|
177
|
|
250
|
140
|
299
|
M48*2
|
100
|
M100*3
|
790
|
200
|
130
|
110
|
360
|
260
|
120
|
100
|
202
|
[NextPage]
◆ 中部摆动式(B型):
B1型安装尺寸图

B2型安装尺寸图
◆ 基本参数
|
D
|
d
|
D1
|
D2
|
d1
|
d2 (dc4) |
L
|
L1
|
L2
|
L3
|
L4 |
B
|
E
(d4) |
h≈
|
|
50
|
28
|
63.5*
|
M18*1.5
|
M22*1.5
|
30 |
245
|
55
|
30
|
125.5 | 30 |
90
|
105
|
66
|
|
63
|
35
|
76
|
M22*1.5
|
M27*2
|
35 |
290
|
65
|
40
|
147.5 | 35 |
115
|
120 |
79
|
|
80
|
45
|
102
|
M27*2
|
M33*2
|
40 |
340
|
80
|
50
|
162 | 40 |
140
|
155 |
92
|
|
100
|
55
|
121
|
M27*2
|
M42*2
|
50 |
390
|
95
|
60
|
197.5 | 50 |
165
|
185 |
105
|
|
125
|
70
|
152
|
M33*2
|
M52*2
|
50 |
460
|
105
|
70
|
235 | 50 |
210
|
220 |
127
|
|
160
|
90
|
199
|
M33*2
|
M68*2
|
60 |
560
|
140
|
100
|
265 | 60 |
260
|
235 |
152
|
|
200
|
110
|
245
|
M42*2
|
M85*3
|
80 |
675
|
165
|
110
|
330 | 80 |
310
|
340 |
177
|
|
250
|
140
|
299
|
M48*2
|
M100*3
|
100 |
790
|
200
|
130
|
375 | 100 |
360
|
415 |
202
|
63.5*适用于1型,选用2型液压缸则为60
Copyright © 无锡市卡博特自动化设备有限公司 版权所有 违者必究
苏ICP备08011079号-1